新能源汽车的传动系统普遍采用单挡变速器。单挡变速器结构简单、成本低、传动效率高。单挡变速器由两级齿轮传动组成,其中第二级齿轮传动集成差速器。
减速器减速机构主要有两种基本结构,分别是圆柱齿轮减速和行星排齿轮减速。

图1雪佛兰Bolt圆柱齿轮减速系统

图2奥迪e-tron同轴电机舍弗勒行星排齿轮减速系统
近年来,随着新能源汽车行业的快速发展,对新能源变速器性能提出了更高的要求,为适应驱动电机的使用工况,出现了集成多功能的变速器新产品。如平行轴两挡变速器、同轴变速器、同轴2挡变速器、集成电子断开差速器的变速器、集成双离合器式差速器的变速器、集成发动机电机发电机的变速器等新型变速器、电机控制器变速器三合一总成、集成电机及电控和两挡自动变速箱(内置双速离合器、电子限滑差速器)的动力总成等等。
一、平行轴两挡变速器
吉凯恩(GKN)两挡变速器,减速比分别为11.38和5.85。应用在宝马(BMW)i8混合动力车上。
与减速比为9-10.5的单挡变速器相比,两挡变速器的低速挡减速比设置为11-12,满足加速和爬坡性能,而且所需电机最大转矩可以降低;高速挡减速比设置为5-9,满足最高车速要求,而且所需电机最高转速可以降低。电机最大转矩和最高转速降低,可使得电机小型化、轻量化。而且两挡变速器可使电机较多地在最佳效率点运转,降低油耗。

图3吉凯恩平行轴两挡变速器剖视图

图4吉凯恩平行轴两挡变速器的换挡机构

图5舍弗勒2挡平行轴电驱桥
集成电控换挡执行机构可匹配PSM或ASM可选方案:1挡带解耦,2挡,带扭矩矢量控制电机功率80kW车轮扭矩3600Nm2挡传动比:14,8/5,05二、同轴单挡减速器
吉凯恩变速器,输入轴与输出轴同轴。应用在沃尔沃(Volvo)XC90T8混合动力汽车上。
输入轴输出轴同轴结构,可减小变速器尺寸,便于整车布置。

图6吉凯恩同轴单挡变速器剖视图
雪佛兰(Chevrolet)Bolt变速器,输入轴与输出轴同轴。应用在雪佛兰Bolt纯电动汽车上。

图7雪佛兰Bolt同轴单挡变速器剖视图

图8雪佛兰Bolt同轴单挡变速器透视图

图9奥迪e-tronAKA320同轴电机

图10AKA320同轴电机上的舍弗勒行星排齿轮
三、同轴两挡变速器
可匹配于混合动力和纯电动车,可实现更加高效的全轮驱动功能。两挡设计,采用电动换档装置。

图11舍弗勒同轴2挡变速系统
四、集成电子断开差速器的变速器
吉凯恩变速器,集成电子断开差速器。图6为其剖视图。应用在沃尔沃XC90T8混合动力汽车上。

图12吉凯恩电子断开差速器爆炸图
高速时,电子断开差速器将电机与车轮分离,以提高高速时系统效率并防止电机超速。电子断开差速器控制犬牙式离合器接合或分离,使用霍尔传感器非接触式测量离合器位置。
五、集成双离合器式差速器的变速器
吉凯恩变速器,集成双离合器式差速器。该差速器应用在路虎揽胜极光(RangeRoverEvoque)、福特福克斯(FordFocus)RS上,也可应用在纯电动汽车或混合动力汽车上。
采用双离合系统取代传统差速器,可精确调节每个车轮的扭矩,实现左、右车轮扭矩矢量控制。实现扭矩限制,实现电子限滑差速锁功能。断开连接时提高系统效率。

图13集成双离合器式差速器
六、两挡同轴集成双离合器式差速器的变速器
吉凯恩两挡同轴变速器集成双离合器式差速器。在2017年法兰克福国际汽车展上首次亮相。
该变速器综合了上述的两挡、同轴、双离合器式差速器三种变速器的特点。

图14吉凯恩eTwinsterX
七、集成发动机、电机、发电机的变速器
吉凯恩集成发动机电机发电机的变速器,剖视图如图15所示。应用在三菱欧蓝德(MitsubishiOutlander)混合动力汽车上。

图15
本田(Honda)集成发动机电机发电机的变速器,剖视图如图16所示。应用在雅阁(Accord)混合动力汽车等车型上。

图16
丰田(Toyota)集成发动机电机发电机的变速器,剖视图如图17所示,原理图如图18所示。应用在第四代普锐斯(Prius)等车型上。

图17

图18
菲亚特克莱斯勒(FCA)集成发动机电机发电机的变速器,原理图如图19所示。应用在大捷龙(Pacifica)混合动力汽车上。

图19
丰田L310多级混动变速器,搭载在2018年开始在国内销售的雷克萨斯LC500h跑车和雷克萨斯LS500h轿车上。

图20丰田L310多级混动变速器剖视图
丰田L310变速器由输入轴、发电机、驱动电机、油泵、动力分割机构、变速器换挡机构、液压控制系统和输出轴组成。发电机的主要作用是用于发电,驱动电机用于直接驱动整车行驶。其驱动电机的功率为45KW,可低速时驱动整车行驶。所采用的变速箱相当于在以往丰田的THS混合动力系统的基础上增加了一个4AT变速箱串联起来。通过两者状态的变化,可以模拟10个不同的挡位。

图21丰田L310变速器功能分区图
实现纯电动、串联混合动力、并联混合动力、混联混合动力等模式之间切换,提高了整车性能和效率。
以下是目前市场上主流的6种混动变速箱结构简图。

图22丰田THSⅢ结构简图

图23丰田THSⅣ结构简图

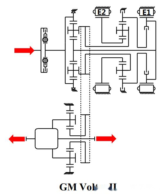
图24GMVoltecⅡ结构简图

图25CORUNCHS结构简图

图26本田i-MMD结构简图

图27上汽EDU结构简图
八、电机、电机控制器、变速器三合一总成
三合一总成结构紧凑、功率密度高、系统效率高、安装简单、减少电缆、可以提供整体解决方案。

图28吉凯恩三合一总成

图29采埃孚(ZF)三合一总成

图30麦格纳(Magna)三合一总成

图31博世(Bosch)三合一总成

图32博格华纳三合一总成

图33大陆集团(ContinentalAG)电驱动系统AxleDrive

图34日本电产Nidec三合一总成

图35蔚来永磁三合一总成

图36
巨一iEDS-4000FR集成式三合一总
成

图37上汽ER6三合一总成
九、电机及电控、两挡自动变速箱、双速离合器、电子限滑差速器的集成
保时捷Taycan的后桥是集成了电机,两挡自动变速箱,电机控制器(600A)的标准三合一动力总成,整个外壳由铝合金铸造而成,总重量约70kg。两挡变速箱的速比分别是:第一挡的速比大概为16:1,第二挡速比为8.05:1。

图38Taycan三合一后驱总成
由于是采用的两挡自动变速箱,所以它有一个基于离合器的电子限滑差速器,这是一个非常有意思的设计,毕竟当前没有一家主流车企采用双速离合器。

图39Taycan后驱布置图
保时捷宣称采用两挡变速箱的原因主要是考虑提高效能同时优化高速和低速的加速性能,最近ZF宣传的他的双速变速箱也是同样的优点。
这个两挡变速箱的最大扭矩是406lb-ft(550N·m),但是奇怪的是它标称的后电机最大输出扭矩是610N·m。
