
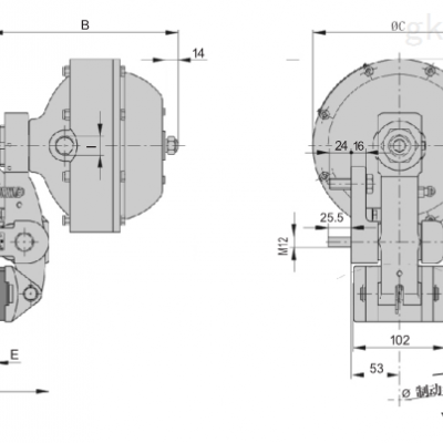
常闭制动器
JUNE-2E:
气包直径:144mm
进气孔尺寸:1/2‘’
重量:12.3KG
新摩擦片厚度:11mm
zui大总磨损厚度:14mm
适用制动盘直径:400mm以上
空气压力:0.1MPA-0.6MPA
气压和扭矩关系:气压越大扭矩越大
工作方式:这款为失效保护制动器,
在不通气状态下一直保持刹车状态,
通气后刹车钳打开
JUNE-3E:
气包直径:190mm
进气孔尺寸:1/2‘’
重量:15.4KG
新摩擦片厚度:11mm
zui大总磨损厚度:14mm
适用制动盘直径:400mm以上
空气压力:0.1MPA-0.6MPA
气压和扭矩关系:气压越大扭矩越大
工作方式:这款为失效保护制动器,在不通气状态下一直保持刹车状态,通气后刹车钳打开
优势:结构简单而稳固,安装方便,不易损坏,抗压抗摔抗敲,使用寿命长,一般只需要更换刹车片,更换轻松简单方便,制动衬垫安装应采用压簧卡装式,更换方便快捷。
适用行业:主要用于起重、运输、冶金、矿山、港口、建筑等机械中各种机构的制动和减速。
注意事项:常闭制动器选型力矩要比实际力矩大一倍,也为安全制动器,所以要加上安全系数,为了安全起见通常加一倍力矩,所以在选用时一定要注意使用机械和行业,务必跟我司技术人员沟通好。
包装方式:
我们采用防撞气包袋和箱子包装,以防止产品在运输过程中产品损失,所以客户可以完全放心产品的安全和质量。
售后:
我们产品统一保质一年(不含刹车片,因为本配件为消耗品,根基客户使用频率决定)。
付款方式:
有现货全款发货,无现货预付30%发货,发货前通知贵司付剩余70%发货。
报价:
报价统一按含运费个增值税16%报价。



