用途:如图
品牌:宝来利
起订:1个
供应:10000个
发货:10天内
| 用途 | 如图 |
|---|---|
| 品牌 | 宝来利 |
| 型号 | 如图 |


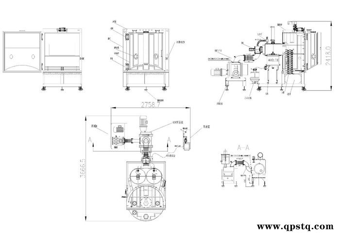
BLLVAC-1200F继承高性能、高产量的特点与以往机型相比实现了更高的性价比,节电50%。
常规配置
真空系统
低真空泵:2X-70(选择:进口SV300,E2M17/275)
增压泵:ZJP600(选择:进口WAU2001,EH1200/EH2600)
高真空泵:涡轮分子泵(选择:低温泵,扩散泵或进口磁悬浮)
真空阀系统
-型号40,50,150,550
真空室加热系统
-**高温度:0到400℃
-型号:不锈钢管装加热器(选择:卤素灯管)
基片架盘型号:
-球面型(选择:平面型,3公自转,多行星型)
-转速:0到30转数/分
软启,软停,可调速
电器控制系统:
-触膜屏面板和PLC控制
-可修改和改变重要的参数
- 全程自动控制镀膜以达到**终产品所需要求
VAC系统
-进口低高真空感应器:1
MFC系统
-进口质量流量控制器:1
-进口电磁阀:1
APC系统
-进口质量流量控制器:1
-进口电磁阀:1
镀膜沉积控制系统
-晶控控制:美国产IC-6,
XTC-3S/M,INFICON310。
-石英晶体感应器:1,2,6头
光控控制
-国产光控(或英国inteiiemetrics)
离子源
-霍儿源(或考夫曼,RF源)
电子束源
-容量:15cc,25cc,40cc等等
-偏转角度:180°或270°
-坩埚:4,6,8,12,16,2+1,6+1个等
深冷系统
-真空室麦斯纳阱
-扩散泵冷阱


