发送询价
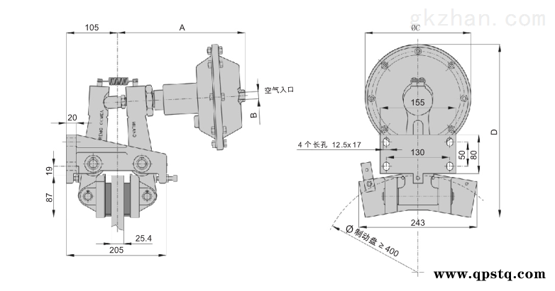
气动刹车系统

气动刹车系统
JUNE-1S:
气包直径:152mm
进气孔尺寸:1/4‘’
重量:20KG
JUNE-2S:
气包直径:217mm
进气孔尺寸:1/4‘’
重量:23KG
动态力矩
=F·[制动盘半径(m)-0.044]=Nm
zui大总磨损: 14 mm
新摩擦片厚度: 11 mm
持续滑动时的热容量Qc: 5.5 kW
JUNE气动制动器系列品种广泛,能够满足新机器所有的要求。许多装备可以和气动制动器结合控制灵敏
度,为制动问题确保了一种良好的解决方案。
制动器的保护方法:
1、在搬放和保管钳盘制动器时,为避免意外事故,必须预先考虑全部安全措施。我们强烈提醒您正确使用安全头盔,安全手套和鞋等。考虑到产品重量,在搬运过程中,请确保正确适用搬运设备。
2、钳盘式制动器的组成部分含有磨损摩擦片和其他材料,这些材料均被检验为无毒无害材料。因此,在处置时应遵照工业行规使用国法律规定进行操作。
3、钳盘式制动器装有橡胶膜片和密封,一旦失火,可能会释放毒气,因此消防人员在小空间内灭火时建议正确佩戴面具。
4、为了防止意外事故和破损等情况的发生,必须认真阅读安装和维护规程。不正确地安装和维护,可能也会导致减少产品寿命,及因故障产生的高昂费用。警告:新产品在磨合前的初始力矩比资料上的数据少30%-50%。

