2005 年希而科商务咨询(上海)有限公司在上海成立,作为瑞士Baumer 公司,德国Ahlborn, Knick, Moog等多家欧洲公司的中国代理,希而科公司攒下了如何服务于中国工业自动化行业的宝贵经验,建立了一切以客户需求为出发点的服务宗旨。2006年为顺应中国客户对德国工业品零配件的需求,希而科贸易(上海)有限公司在浦东成立了, 利用公司总部在德国及多年与德国供应商贸易来往的优势,希而科公司在其代理品牌之外,开始为中国客户代理采购各行各业-主要是工业自动化及仪器仪表行业所需的备品备件。为适应
客户小金额订单的需求,我们在德国源头作了拼单,集中代理采购,仓储,出欧盟集中报关等创新,让中国客户在欧洲零配件采购中除货价外的附加费用大幅度降低。
2014 年成立了希而科工业控制设备(上海)有限公司,公司规模发展到近百人并搬进了中邦商务园近2000 平方米的希而科办公大楼。在互联网电商新一波浪潮中,客户在消费品领域得到满足的价格透明,采购无欺的需求也要求到了我们工业品采购行业。希而科工业控制设备(上海)有限公司目前正在集中处理客户询报价,积极寻找智能询报价的途径,争取早日满足中国客户在无仓储情况下对各种德国工业品零配件价格和货期的预知及供应。
公司规模:100人左右
公司模式:德国本土采购,德国仓库拼单操作,为客户节约了成本,提高了采购效率。提供100%原装正品,真正做到了让客户服务满意,采购放心。
航班周期:每天安排航班,保证货物时效,
货物包装:长期以来积累了大量货物运输包装经验,所有货物均在国内进行二次包装,规避国内运输风险。
售后服务:客服,返修集中操作,完善的售后系统确保客户无后顾之忧。
处理效率:ERP系统做单,可以提供订单全程查询。
Moog 品牌历史
Moog 成立于上世纪70年代,早期进入了成长中的注塑与吹塑成形工艺控制技术市场。由于其较多地参与了美国的太空计划,因此赢得了航天飞机硬件供货合同。航天飞机于1981年首飞,*应用了开创性的电传控制技术。
作为品牌创始人,比尔穆格认为创新感不限于产品,员工也是重要的因素之一,人们在一个得到信任、尊重和回报的工作环境中,会更有创造力、更专注、更有工作效率。这就是著名的“穆格理论”。
Moog 品牌现状
Moog 的产品现今已分布于众多领域,如民用机座舱、发电风机、一级方程式赛车、医用输液系统等众多的市场,穆格的高性能系统的控制用和商用飞机,卫星和航天器,运载火箭,工业机械,风能,海洋应用和医疗设备。
美国穆格MOOG产品已广泛应用于世界各国的不同行业,包括钢铁、航空仿真及测试、汽车测试与仿真、能源领域、工业机械、数字化虚拟仿真牙医培训系统等行业,成为深受用户信赖的品牌。
Moog 产品经营范围
Moog主要经营的产品有:MOOG阀,MOOG伺服阀、MOOG伺服电机、MOOG控制器、MOOG伺服驱动器,MOOG电液伺服阀,MOOG柱塞泵。
我司经营产品范围:
伺服阀、信号放大器、密封件、控制器、插头、流量控制阀、控制器、比例阀等
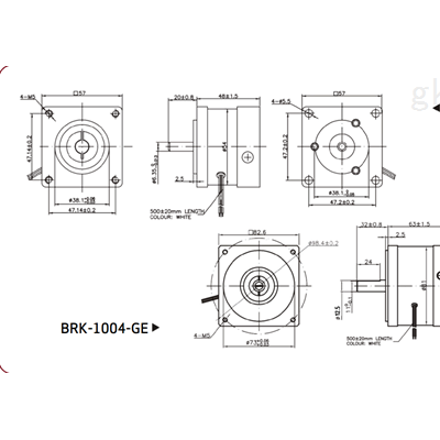
Moog BRK系列 产品描述:
1、制动器/Anbaubremse
2、应用场合:航空航天,国防,工业和医疗应用等等领域
Moog BRK系列 型号解析:
BRK-1003-GE | BRK-1004-GE | |
尺寸 | 23 | 34 |
停顿时刻 | 0.5 | 1.68 |
重量 | 0.48 | 1.36 |
额定电流 | 0.26 | 0.41 |
连接电阻 | 92 | 58 |
工作电压 | 24 | 24 |
功率 | 6.2 | 9.8 |
长度 | 48 | 63
|
希而科Moog穆格制动器BRK系列 优势供应
希而科Moog穆格制动器BRK系列 优势供应

