品牌:宏业
工作电压:12/24V
功率:20
起订:1台
供应:2000台
发货:10天内
| 工作电压 | 12/24V |
|---|---|
| 功率 | 20 |
| 绝缘电阻 | 汽车预热器 |
| 外形尺寸 | 626×322×340 mm |
| 用途 | 汽车预热器 |
| 重量 | 22 |
| 品牌 | 宏业 |
| 型号 | YJ |
| 加工定制 | 是 |
| 加热器类型 | 汽车预热器 |
青海汽车预热器加热器水泵价格
一、概述
l 结构紧凑、拆装方便、便于维护。
l 采用单片机实现全自动程序控制、操作简便、具有恒温控制功能。加热器进口温度可根据需求实现双温度范围控制60℃-70℃、65℃-78℃。
l 水温及过热传感器采用进口热敏电阻、稳定可靠、控制灵敏、精度±0.5℃。
l 开机全程检测、人性化设计、指示灯闪码指示加热器工况。
l 判断着火方式:专利技术、采集无触点信号、灵敏度高、一致性好、能可靠地指示着火及控制关机。
l 加热器具有过压、欠压保护、电机、电磁阀、电热塞短路、断路保护、点火传感器断路保护功能、确保加热器的工作安全可靠。
l 加热器主电机自动降压启动、点火所需时间更短、电量消耗更低。
l 工作电压范围内,电热塞和主电机一直稳压运行;适于海拔5000米以下地区使用。
l 高效的燃烧室和换热器结构,确保加热器燃烧效率在80%,加热器废气排放满足欧V发动机排放要求。
技术规格:
1、型号:YJ-Q20 /2S1
2、额定热流量: 20KW
3、额定电压: DC24V
4、电机功率: 105W
5、耗油量: 2.3Kg/h
6、水泵流量:5000L/h
7、单机质量:22Kg
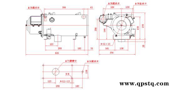
8、外形尺寸: 626×322×340 mm
尺寸图:

技术规格:
1、型号:YJ-Q20 /2CS
2、额定热流量: 20KW
3、额定电压: DC24V
4、电机功率: 105W
5、耗油量: 2.3Kg/h
6、水泵流量:5000L/h
7、单机质量:22Kg
8、外形尺寸: 626×370×290 mm
尺寸图

河北宏业永盛汽车加热器股份有限公司 竭诚为您服务
联系人:曹女士
电话:0317-5562835转669
传真:0317-8288812
邮箱:2422591068@qq.com
QQ:2422591068
地 址:河北省泊头市南仓街461号
邮 编:062150
公司主页:https://shop117481650./


